Bi-Directional Zero Leakage Rubber Lined Butterfly Valve
Product description
-- It has all the design features of our double eccentric butterfly valve.
-- All the rubber lined butterfly valves of high reliability, robust design in accordance to the worst prevailing ambient conditions.
-- The field of applications are mainly chemical plants, chlorine and steel industry, electricity generating plants, mineral processing plants and environmental protection plants etc.
-- Ebonite lining has the features of :
☆ good chemical stability,
☆ strong chemical resistance against mineral acids and bases,
☆ strong organic solvent resistance,
☆ high diffusion resistance, low water absorption,
☆ high tensile strength,
☆ and excellent electrical insulation.
--The ebonite lining forms a continuous covering layer on the substrate adding the special design and process of the joint to completely isolate the ferrous substrate from the service medium, thus to ensure the product’s long service time. For the corrosive service fluid, it will be the much more cost effective solution.
-- The surfaces to be protected by ebonite lining is sand blasted to ‘’Near White Metal’’ in accordance with EN ISO 12944-4 and reach cleanliness Sa 2.5 to ISO 8501 and roughness medium G to ISO 8503.
-- Under the environment with humidity not exceeding 60% and temperature of 15-40 ℃, use the special lining tools to completely compact the rubber sheet and the substrate according to the strict process procedures and requirements.
-- The vulcanization processed with hot air or steam in the vulcanization kettle.
-- The subsequent process will only be started after passing various test and inspection(visual inspection, electric spark detection to holidays/pinholes/cracks, adhesion test and hardness test etc.)
-- The hardness range achieves Shore D 75±5
-- External corrosion protection: the following painting cycles will be provided to suit the application of C5 corrosivity category according to EN ISO 12944-2,
● Epoxy zinc-rich primer – 120μm, Epoxy micaceous iron/ intermediate paint - 60μm, Acrylic polyurethane finish paint - 60μm, Total dry fill thickness(DFT) 240μm
● Epoxy glass flake primer- 150μm, Epoxy glass flake paint two layer - 90μm, Total dry fill thickness(DFT) 240μm
Other painting cycle is available as special request.
-- All the internal and external fastenings such as nuts, bolts, screws and fittings are of stainless steel grade 316L or duplex stainless steel.
-- All the rubber lined butterfly valves suitable to be fixed in vertical position or horizontal position.
-- The lifting eye/lifting hook fixed in the suitable position so that valve can be lifted in vertical or horizontal position.
-- As special request, we can use the rubber material with the following approvals & certificates:
● Approval of AVS D 6.1/50 for nuclear power plants
● Certificate of (FDA) CFR 21&177.2600
● WRAS-listing to BS 6920
RUBBER LINED BUTTERFLY VALVE
Materials of component
|
No |
NAME |
MATERIAL* |
SPECIFICATION |
REMARKS |
|
1 |
Key |
Duplex Stainless Steel |
1.4462(S31803),1.4507(S32750) |
|
|
2 |
Upper Shaft |
Duplex Stainless Steel |
1.4462(S31803), 1.4507(S32750) |
|
|
3 |
Packing Gland |
Stainless Steel |
1.4401(SS316) |
|
|
4 |
0 ring |
Rubber |
EPDM, NBR |
|
|
5 |
Bolt |
Stainless Steel |
A4-70(SS316) |
|
|
Duplex Stainless Steel |
S31803, S32750 |
|||
|
6 |
Shaft Bearing |
Bronze |
QAI9-2 CC331G |
|
|
7 |
Valve Body |
Ductile Iron |
GJS500-7(GGG50), GJS400-15(GGG40) |
|
|
65-45-12, 60-40-18 |
||||
|
Carbon steel |
1.0619(WCB) |
|||
|
8 |
Ebonite lining |
Rubber |
Nature rubber |
|
|
9 |
Pin |
Duplex Stainless Steel |
1.4462(S31803),1.4507(S32750) |
|
|
10 |
Valve Disc |
Ductile Iron |
GJS500-7(GGG50), GJS400-15(GGG40) |
|
|
65-45-12, 60-40-18 |
||||
|
Carbon steel |
1.0619(WCB) |
|||
|
11 |
Shaft Bearing |
Bronze |
QAI9-2 CC331G |
|
|
12 |
Lower Shaft |
Duplex Stainless Steel |
1.4462(S31803), 1.4507(S32750) |
|
|
13 |
End Cover |
Carbon steel |
S235JR |
|
|
Stainless Steel |
1.4401(SS316) |
|||
|
14 |
Bolt |
Stainless Steel |
A4-70(SS316) |
|
|
Duplex Stainless Steel |
S31803, S32750 |
|||
|
15 |
0 ring |
Rubber |
EPDM, NBR |
|
|
16 |
Retainer Ring |
Duplex Stainless Steel |
S31803, S32750 |
|
|
17 |
Disc Seal Ring |
Rubber |
EPDM, NBR |
|
|
18 |
Screw |
Stainless Steel |
A4-70(SS316) |
|
|
Duplex Stainless Steel |
S31803, S32750 |
|||
(Other materials are available on request.)
★ Protective Coating: to C5/C5M anti-corrosive requirements
★ Suitable medium: TSE water, sea water, raw water, cooling water, low-corrosive liquid etc.
★ Suitable temperature: 0 ~ 80 ℃
★ Pressure test to EN12266-1: Leakage rate: Class A (Zero leakage) in both direction
100% testing before delivery
RUBBER LINED BUTTERFLY VALVE
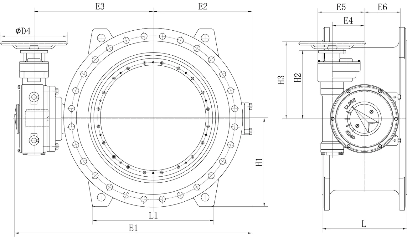
Dimensions*/PN10

|
DN |
L |
H1 |
H2 |
H3 |
E1 |
E2 |
E3 |
E4 |
E5 |
E6 |
L1 |
D4 |
Weight kgs |
|
|
S14 |
S13 |
|||||||||||||
|
200 |
230 |
152 |
175 |
137 |
193 |
526 |
198 |
272 |
64 |
99 |
86 |
196 |
240 |
53 |
|
250 |
250 |
165 |
208 |
137 |
193 |
568 |
219 |
293 |
64 |
99 |
86 |
240 |
240 |
65 |
|
300 |
270 |
178 |
235 |
178 |
233 |
670 |
254 |
351 |
93 |
135 |
115 |
260 |
320 |
95 |
|
350 |
290 |
190 |
265 |
178 |
233 |
720 |
279 |
376 |
93 |
135 |
115 |
280 |
320 |
120 |
|
400 |
310 |
216 |
288 |
192 |
283 |
834 |
320 |
432 |
120 |
169 |
138 |
310 |
400 |
165 |
|
450 |
330 |
222 |
313 |
192 |
283 |
903 |
359 |
462 |
120 |
169 |
138 |
340 |
400 |
200 |
|
500 |
350 |
229 |
340 |
317 |
378 |
988 |
393 |
513 |
120 |
186 |
138 |
370 |
240 |
245 |
|
600 |
390 |
267 |
395 |
315 |
376 |
1119 |
450 |
580 |
148 |
214 |
166 |
430 |
400 |
352 |
|
700 |
430 |
292 |
453 |
315 |
376 |
1217 |
530 |
598 |
148 |
214 |
166 |
480 |
400 |
470 |
|
800 |
470 |
318 |
513 |
346 |
407 |
1410 |
614 |
691 |
185 |
265 |
196 |
560 |
400 |
672 |
|
900 |
510 |
330 |
563 |
346 |
407 |
1530 |
675 |
750 |
185 |
265 |
196 |
615 |
400 |
840 |
|
1000 |
550 |
410 |
620 |
390 |
451 |
1712 |
748 |
839 |
230 |
333 |
232 |
670 |
400 |
1357 |
|
1200 |
630 |
470 |
733 |
451 |
512 |
1971 |
865 |
981 |
230 |
368 |
232 |
800 |
400 |
2022 |
|
1400 |
710 |
530 |
843 |
507 |
568 |
2313 |
1011 |
1138 |
315 |
453 |
360 |
920 |
400 |
2668 |
|
1600 |
790 |
600 |
963 |
507 |
568 |
2588 |
1161 |
1263 |
315 |
453 |
360 |
1050 |
400 |
3520 |
|
1800 |
870 |
670 |
1063 |
599 |
660 |
3038 |
1324 |
1501 |
412 |
613 |
440 |
1162 |
400 |
4998 |
|
2000 |
950 |
760 |
1168 |
599 |
660 |
3255 |
1436 |
1606 |
412 |
613 |
440 |
1270 |
400 |
6516 |
-Flange dimensions and drilling to BS EN 1092-2 PN10
-All the outline dimensions and weight only for reference. If need, please contact us for exact data.
-Please contact us for other details or larger sizes.
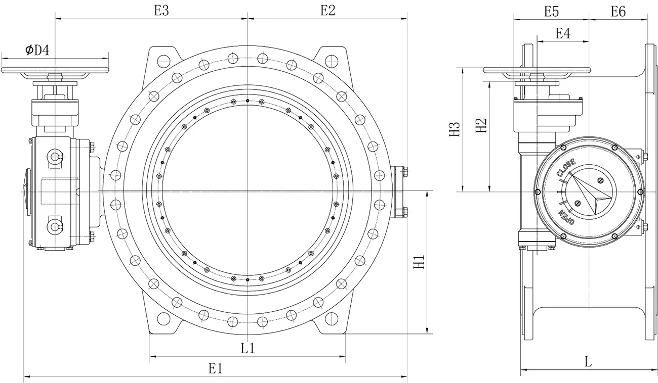
Dimensions*/PN16

|
DN |
L |
H1 |
H2 |
H3 |
E1 |
E2 |
E3 |
E4 |
E5 |
E6 |
L1 |
D4 |
Weight kgs |
|
|
S14 |
S13 |
|||||||||||||
|
200 |
230 |
152 |
175 |
137 |
193 |
526 |
198 |
272 |
64 |
99 |
86 |
196 |
240 |
53 |
|
250 |
250 |
165 |
208 |
178 |
233 |
623 |
230 |
328 |
93 |
135 |
115 |
240 |
320 |
90 |
|
300 |
270 |
178 |
235 |
178 |
233 |
670 |
254 |
351 |
93 |
135 |
115 |
275 |
320 |
105 |
|
350 |
290 |
190 |
265 |
192 |
283 |
784 |
295 |
407 |
120 |
169 |
138 |
290 |
400 |
156 |
|
400 |
310 |
216 |
295 |
192 |
283 |
853 |
334 |
437 |
120 |
169 |
138 |
320 |
400 |
188 |
|
450 |
330 |
222 |
325 |
317 |
378 |
938 |
368 |
488 |
120 |
186 |
138 |
360 |
240 |
267 |
|
500 |
350 |
229 |
363 |
315 |
376 |
1019 |
400 |
530 |
148 |
214 |
166 |
395 |
400 |
328 |
|
600 |
390 |
267 |
425 |
315 |
376 |
1117 |
480 |
548 |
148 |
214 |
166 |
470 |
400 |
460 |
|
700 |
430 |
292 |
460 |
346 |
407 |
1308 |
563 |
640 |
185 |
265 |
196 |
480 |
400 |
615 |
|
800 |
470 |
318 |
518 |
346 |
407 |
1426 |
623 |
698 |
185 |
265 |
196 |
560 |
400 |
825 |
|
900 |
510 |
330 |
568 |
390 |
451 |
1612 |
698 |
789 |
230 |
333 |
232 |
618 |
400 |
1135 |
|
1000 |
550 |
410 |
636 |
451 |
512 |
1773 |
766 |
882 |
230 |
368 |
232 |
600 |
400 |
1435 |
|
1200 |
630 |
470 |
748 |
507 |
568 |
2112 |
911 |
1038 |
315 |
453 |
360 |
800 |
400 |
2335 |
|
1400 |
710 |
530 |
848 |
599 |
660 |
2529 |
1063 |
1253 |
412 |
613 |
440 |
920 |
400 |
3760 |
|
1600 |
790 |
600 |
970 |
599 |
660 |
2754 |
1172 |
1369 |
412 |
613 |
440 |
1060 |
400 |
4550 |
|
1800 |
870 |
670 |
1070 |
777 |
838 |
3257 |
1416 |
1602 |
495 |
725 |
544 |
1170 |
720 |
6370 |
|
2000 |
950 |
760 |
1178 |
777 |
838 |
3523 |
1583 |
1701 |
495 |
725 |
544 |
1290 |
720 |
8470 |
-Flange dimensions and drilling to BS EN 1092-2 PN16
-All the outline dimensions and weight only for reference. If need, please contact us for exact data.
-Please contact us for other details or larger sizes.
Dimensions*/PN25

|
DN |
L |
H1 |
H2 |
H3 |
E1 |
E2 |
E3 |
E4 |
E5 |
E6 |
L1 |
D4 |
Weight kgs |
|
|
S14 |
S13 |
|||||||||||||
|
200 |
230 |
152 |
190 |
178 |
233 |
586 |
221 |
300 |
93 |
135 |
115 |
220 |
320 |
85 |
|
250 |
250 |
165 |
220 |
178 |
233 |
656 |
254 |
337 |
93 |
135 |
115 |
260 |
320 |
120 |
|
300 |
270 |
178 |
250 |
192 |
283 |
757 |
298 |
377 |
120 |
169 |
138 |
300 |
240 |
175 |
|
350 |
290 |
190 |
285 |
317 |
378 |
830 |
318 |
430 |
120 |
186 |
138 |
320 |
400 |
210 |
|
400 |
310 |
216 |
315 |
315 |
376 |
945 |
370 |
486 |
148 |
214 |
166 |
350 |
400 |
295 |
|
450 |
330 |
222 |
340 |
315 |
376 |
991 |
406 |
496 |
148 |
214 |
166 |
370 |
400 |
335 |
|
500 |
350 |
229 |
370 |
346 |
407 |
1112 |
453 |
554 |
185 |
265 |
196 |
410 |
400 |
500 |
|
600 |
390 |
267 |
428 |
346 |
407 |
1235 |
495 |
631 |
185 |
265 |
196 |
470 |
400 |
660 |
|
700 |
430 |
292 |
485 |
390 |
451 |
1439 |
601 |
715 |
230 |
333 |
232 |
530 |
400 |
945 |
|
800 |
470 |
318 |
548 |
390 |
451 |
1588 |
668 |
797 |
230 |
333 |
232 |
600 |
400 |
1195 |
|
900 |
510 |
330 |
598 |
451 |
512 |
1669 |
695 |
849 |
230 |
368 |
232 |
655 |
400 |
1500 |
|
1000 |
550 |
410 |
665 |
507 |
568 |
1994 |
844 |
988 |
315 |
453 |
360 |
730 |
400 |
2120 |
|
1200 |
630 |
470 |
770 |
507 |
660 |
2398 |
1008 |
1179 |
315 |
453 |
360 |
840 |
400 |
3370 |
|
1400 |
710 |
530 |
883 |
599 |
660 |
2667 |
1150 |
1306 |
412 |
613 |
440 |
970 |
400 |
4880 |
|
1600 |
790 |
600 |
993 |
777 |
838 |
2942 |
1250 |
1449 |
495 |
725 |
544 |
1080 |
720 |
6680 |
|
1800 |
870 |
670 |
1103 |
777 |
887 |
3310 |
1439 |
1633 |
495 |
725 |
544 |
1100 |
720 |
7890 |
-Flange dimensions and drilling to BS EN 1092-2 PN25
-All the outline dimensions and weight only for reference. If need, please contact us for exact data.
-Please contact us for other details or larger sizes.
Dimensions*/PN40

|
DN |
L |
H1 |
H2 |
H3 |
E1 |
E2 |
E3 |
E4 |
E5 |
E6 |
L1 |
D4 |
Weight kgs |
|
|
S14 |
||||||||||||||
|
200 |
230 |
193 |
178 |
233 |
603 |
229 |
309 |
93 |
135 |
115 |
180 |
320 |
95 |
|
|
250 |
250 |
230 |
192 |
283 |
712 |
261 |
369 |
120 |
169 |
138 |
200 |
400 |
140 |
|
|
300 |
270 |
263 |
317 |
378 |
795 |
305 |
408 |
120 |
186 |
138 |
240 |
240 |
235 |
|
|
350 |
290 |
295 |
315 |
376 |
904 |
360 |
455 |
148 |
214 |
166 |
320 |
400 |
310 |
|
|
400 |
310 |
335 |
315 |
376 |
1001 |
407 |
505 |
148 |
214 |
166 |
320 |
400 |
420 |
|
|
450 |
330 |
348 |
346 |
407 |
1067 |
429 |
533 |
185 |
265 |
196 |
360 |
400 |
510 |
|
|
500 |
350 |
383 |
346 |
407 |
1180 |
477 |
598 |
185 |
265 |
196 |
450 |
400 |
615 |
|
|
600 |
390 |
450 |
390 |
451 |
1363 |
555 |
683 |
230 |
333 |
232 |
500 |
400 |
965 |
|
|
700 |
430 |
505 |
507 |
568 |
1625 |
666 |
795 |
315 |
453 |
360 |
560 |
400 |
1260 |
|
|
800 |
470 |
575 |
507 |
568 |
1696 |
664 |
868 |
315 |
453 |
360 |
630 |
400 |
1510 |
|
|
900 |
510 |
635 |
507 |
568 |
1904 |
785 |
955 |
315 |
453 |
360 |
690 |
400 |
2280 |
|
|
1000 |
550 |
690 |
507 |
660 |
2039 |
837 |
989 |
315 |
453 |
360 |
740 |
400 |
3150 |
|
|
1100 |
590 |
735 |
599 |
660 |
2384 |
997 |
1174 |
412 |
613 |
440 |
800 |
400 |
4380 |
|
|
1200 |
630 |
793 |
599 |
660 |
2595 |
1077 |
1279 |
412 |
613 |
440 |
860 |
400 |
5200 |
|
|
1400 |
710 |
903 |
777 |
838 |
2839 |
1200 |
1400 |
495 |
725 |
544 |
1000 |
720 |
5905 |
|
|
1500 |
750 |
968 |
777 |
838 |
3004 |
1268 |
1497 |
495 |
725 |
544 |
1060 |
720 |
7060 |
|
|
1600 |
790 |
1018 |
777 |
887 |
3115 |
1320 |
1555 |
495 |
725 |
544 |
1100 |
720 |
8300 |
|
|
1800 |
870 |
1153 |
958 |
1068 |
3552 |
1520 |
1760 |
560 |
823 |
644 |
1160 |
720 |
11050 |
|
-Flange dimensions and drilling to BS EN 1092-2 PN40
-All the outline dimensions and weight only for reference. If need, please contact us for exact data.
-Please contact us for other details or larger sizes.
Product Display






